Характеристки серводвигателей

Размеры серводвигателей...
Вернутся к описанию...

Номнальный момент Момент удержания Макс. момент Номинальная скорость Максимальная скорость Момент инерции ротора Напряжение 3x220 В Напряжение 3x380 В
Ток удержания Номинальный ток Макс. ток Рекомен. типоразмер ПЧ* Ток удержания Номинальный ток Макс. ток Рекомен. типоразмер ПЧ*
Типоразмер Mn [Нм] [Нм] Mmax [Нм] Nn [об/мин] Nmax [об/мин] JL [кг*см^2] Io [A] In [A] Imax [A] Io [A] In [A] Imax [A]
A1.SM 0.32 0.34 1.7 6000 9000 0.17 1.2 1.3 10.0 04. 0.85 0.9 7.1 04.
A2.SM 0.48 0.5 2.5 6000 9000 0.24 1.5 1.7 12.8 04. 1.0 1.1 8.5 04.
A3.SM 0.6 0.65 3.2 6000 9000 0.31 2.0 2.3 15.3 04. 1.2 1.3 9.2 04.
A4.SM 0.8 1.0 5.0 6000 9000 0.45 3.2 3.4 24.0 07. 1.6 1.7 12.0 09.

B1.SM 0.6 0.65 3.1 4000 9000 0.22 1.9 2.0 16.1 04. 0.9 0.9 7.6 04.
0.5 0.65 3.1 6000 9000 0.22 2.6 2.5 22.1 07. 1.3 1.2 11.1 04.
B2.SM 1.3 1.5 7.2 4000 9000 0.36 3.2 2.9 27.2 07. 1.6 1.4 13.6 09.
1.0 1.5 7.2 6000 9000 0.36 5.0 4.4 42.4 09. 2.4 2.1 20.4 09.
B3.SM 2.0 2.3 11.0 4000 9000 0.57 5.5 4.7 46.7 10. 2.4 2.0 20.4 09.
1.5 2.3 11.0 6000 9000 0.57 7.7 6.6 65.3 10. 3.5 3.0 29.7 09.

C1.SM 0.8 0.95 4.3 3000 6000 1.2 1.5 1.4 10.6 04. 0.8 0.75 5.6 04.
0.75 0.95 4.3 4000 6000 1.2 2.0 1.8 14.1 04. 1.0 0.9 7.7 04.
0.7 0.95 4.3 6000 6000 1.2 3.0 2.4 21.2 07. 1.6 1.3 11.3 09.
C2.SM 2.4 2.7 12.2 3000 6000 2.7 3.2 3.0 22.6 07. 1.9 1.8 13.3 09.
2.2 2.7 12.2 4000 6000 2.7 4.3 3.6 30.4 09. 25 2.1 17.6 09.
2.0 2.7 12.2 6000 6000 2.7 5.5 5.3 45.9 10. 3.7 3.0 26.1 09.
C3.SM 3.9 4.5 20.3 3000 6000 4.2 5.1 4.6 36.0 10. 2.9 2.7 20.5 09.
3.5 4.5 20.3 4000 6000 4.2 6.7 5.5 47.3 10. 3.8 3.1 26.8 10.
2.8 4.5 20.3 6000 6000 4.2 9.9 6.7 70.0 10. 5.6 3.8 39.5 10.
C4.SM 5.0 6.0 27.0 3000 6000 5.4 7.1 6.3 50.2 10. 4.2 3.7 29.7 10.
4.5 6.0 27.0 4000 6000 5.4 9.1 7.3 64.3 10. 5.5 4.4 38.9 12.
3.0 6.0 27.0 6000 6.000 5.4 13.7 7.9 96.8 12. 7.8 4.5 55.1 12.

D1.SM 3.7/5.5 4.2/6.2 27.0 3000 6000 4.8 5.3 4.9 35.9 09. 3.0/4.1 2.8/4.2 20.4 09/10.
3.5/5.4 4.2/6.2 27.0 4000 6000 4.8 7.0 3.5 47.5 09. 4.0/5.4 3.5/5.0 27.2 10./12.
3.0/4.2 4.2/6.2 27.0 6000 6000 4.8 10.2 8.2 69.2 12. 6.0/8.1 4.8/6.7 40.7 12.
D2.SM 6.1/8.7 7.0/10.5 31.5 3000 6000 7.4 8.5 8.1 57.7 12. 4.8/6.8 4.5/6.4 32.5 12.
5.8/8.4 7.0/10.5 31.5 4000 6000 7.4 11.6 10.5 78.8 12. 6.4/9.2 5.8/8.4 43.4 12./13.
3.8/7.5 7.0/10.5 31.5 6000 6000 7.4 16.0 9.6 108.6 12. 9.9/14.2 5.9/11.7 67.2 13./14.
D3.SM 8.4/12.2 10.0/14.5 45.0 3000 6000 9.8 12.4 10.9 84.1 12. 7.2/10.4 6.3/9.2 48.8 13./14.
7.6/12.0 10.0/14.5 45.0 4000 6000 9.8 17.0 13.5 115.4 12. 9.7/14.1 7.7/12.2 65.в 13./14.
5.0/10.5 10.0/14.5 45.0 6000 6000 9.8 22.6 12.7 152.7 13. 13.6/19.7 7.6/16.0 92.3 14./15.
D4.SM 9.6/15. 12/18.5 54.0 3000 6000 12.7 14.2 12.2 96.3 12. 8.5/12.3 7.3/11.5 57.7 13./14.
8.6/15.5 12/18.5 54.0 4000 6000 12.7 18.2 13.5 123.5 13. 11.6/16.8 8.6/14.7 78.8 13./15.

E1.SM 7.0/11.2 8.5/12.9 42 2000 4000 12.3 6.4 5.3 48 10. 3.7/5.6 3.1/5.0 28 10./12.
8. 5/10.3 8.5/12.9 42 3000 4000 12.3 9.6 7.7 72 10. 5.6/8.5 4.5/7.1 42 12.
5.2/9 3 8.5/12.9 42 4000 4000 12.3 12.8 8.3 97 12 7.4/11.2 4.8/8.6 56 12./13.
E2.SM 12.2/18.7 14/21.5 70 2000 4000 19.5 10.3 9.0 78 12 5.6/7.8 4.9/7.5 42 12.
11.0/15.5 14/21.5 70 3000 4000 19.5 16.0 12 5 121 12 9.0/11.6 7.0/10.9 68 12./14.
7.6/15.5 14/21.5 70 4000 4000 19.5 21.3 11.6 160 13. 12.0/15.2 6.5/13.3 90 13./14.
E3.SM 16.5/26.0 19/30 85 2000 4000 26.7 14.0 12.7 95 13. 8.1/12.8 7.3/11.5 55 12./14.
14.6/23.8 19/30 85 3000 4000 26.7 21.1 16 8 143 14. 12.4/19.6 9.9/16.1 84 14./15.
8.7/21.6 19/30 85 4000 4000 26.7 26.3 12.5 178 14. 16.2/25.6 7.7/19.1 110 14./16.
E4.SM 21.4/33.0 27/42 121 2000 3000 36.0 19.8 15.6 34 13. 11.9/15.2 9.4.14.5 80 14./15.
15.5/31.6 27/42 121 3000 3000 36.0 27.8 18.0 188 14. 17.3/22.2 9.9/20.2 117 15./16.
F1.SM 22.5/35.4 25/39 88 1500 4000 84.0
8.2/12.3 7.5/11.8 41 12./14.
21.5/35.0 25/39 88 2000 4000 84.0 11.1/16.6 9.7/15.8 55 14.116
20.0/31.7 25/39 88 3000 4000 84.0 17.0/25.4 13.8/21.9 85 15./17.
16.0/28.0 25/39 88 4000 4000 84.0 22.2 33.2 14.8/25.5 110 15./17.
F2.SM 42.0/64.0 50/75 175 1500 4000 147 17.0/25.5 14.5/22.1 85 15./17.
38.0/63.0 50/75 175 2000 4000 147 22.3/33 5 17.2/28.5 111 15./17.
31.0/58.2 50/75 175 3000 4000 147 32.2/48.3 20.6/38.7 160 16./19.
F3.SM 61.0/92.8 70/110 245 1500 4000 210 23 1/34.8 20.9/31.8 115 17./19.
52.0/90.0 70/110 245 2000 4000 210 30.8/46.0 23.7/41.1 153 17./20.
33.0/85.0 70/110 245 3000 4000 210 46.2/69.0 22.9/56.0 229 19./21.
* - Преобразователь частоты КЕВ предложен исходя из Mmax=2 x Mn

Примечание

Характеристики через дробь «/»:

слева — естественное охлаждение,

справа — принудительное охлаждение.

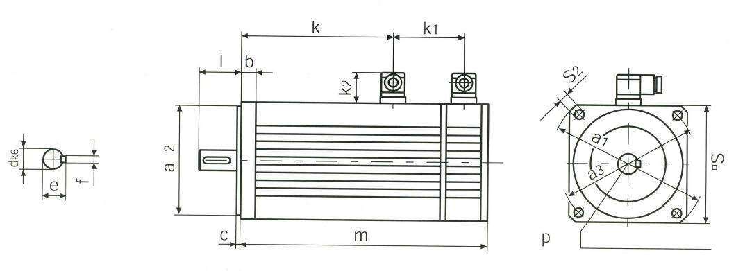
Габаритные и присоединительные размеры серводвигателей

Характеристики серводвигателей...
Вернутся к описанию...
Размер a1 a2 a3 js6 b c d, k6 e f k k1 k2 I

m

p S S2

Масса [kg]


k0 kB mR mG mRB mGB
А1 74 40 63 11 2.5 9 10.2 3 72 97 33 37 20 121 149 145 173 M3 55 5.8 1.0/ 1.2
А2 74 40 63 11 2.5 9 10.2 3 85 109 33 37 20 133 161 157 185 M3 55 5.8 1.2/ 1.4
A3 74 40 63 11 2.5 9 10.2 3 97 121 33 37 20 145 173 169 197 M3 55 5.8 1.4 / 1.6
А4 74 40 63 11 2.5 9 10.2 3 121 146 33 37 20 170 193 194 222 M3 55 5.8 1.8 / 2.0
В1 87 60 75 14 2.5 11 12.2 4 81 109 33 37 23 135 167 163 195 M4 70 5.3 1.5 / 1.8
В2 87 60 75 14 2.5 11 12.2 4 105 133 33 37 23 159 191 187 219 M4 70 5.3 2.1 / 2.4
B3 87 60 75 14 2.5 11 12.2 4 141 169 33 37 23 195 227 227 255 M4 70 5.3 2.9 / 3.2
С1 116 80 100 8 3 14 16 5 86 132 46 37 30 156 193 192 229 M4 92 7 2.7/ 3.2
С2 116 80 100 8 3 14 16 5 110 156 46 37 30 180 217 226 263 M4 92 7 3.9 / 4.4
СЗ 116 80 100 8 3 14 16 5 144 190 46 37 30 214 251 260 297 M4 92 7 5.2 / 5.7
С4 116 80 100 8 3 14 16 5 178 224 46 37 30 248 285 294 331 M4 92 7 6.6 / 7.1
D1 136 95 115 10 3 19 21.5 6 138 145 52 37 40 218 248 226 256 M6 110 9 6.3 / 7.1
D2 136 95 115 10 3 19 21.5 6 168 175 52 37 40 248 278 256 286 M6 110 9 7.9 / 8.7
D3 136 95 115 10 3 19 21.5 6 198 205 52 37 40 278 308 286 316 M6 110 9 9.6 / 10.4
D4 136 95 115 10 3 19 21.5 6 228 235 52 37 40 308 338 316 346 M6 110 9 11.2 / 12.0
Е1 187 130 165 17 3.5 24 27 8 142 187 55 37 40 231 263 276 308 М8 140 11 10.2 / 11.8
Е2 187 130 165 17 3.5 24 27 8 172 217 55 37 40 261 293 306 338 М8 140 11 12.3 / 13.9
ЕЗ 187 130 165 17 3.5 24 27 8 202 247 55 37 40 291 323 336 368 М8 140 11 15.5 / 17.1
Е4 187 130 165 17 3.5 24 27 8 247 292 55 37 40 336 368 381 413 М8 140 11 20.4 / 22.0
F1 237 180 215 - 4 32 35 10 254 254 60 55 58 348 386 348 386 M12 190 14 30.5 / 34.3
F2 237 180 215 - 4 32 35 10 334 334 60 55 58 428 466 428 466 M12 190 14 44.0 / 47.8
F3 237 180 215 - 4 32 35 10 414 414 60 55 58 508 546 508 546 M12 190 14 57.5 / 61.3
Примечание k0 - без тормоза, kB - c тормозом, mR - c резольвером, mG - c sin/cos энкодером, mRB - c резольвером и тормозом, mGB - c sin/cos энкодером и тормозом, Значения через дробь «/»:
слева — без тормоза,
справа — с тормозом.