|
Тип |
Вес [кг/м] |
Wx,y [см3] |
Стр. кат. |
||
|
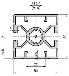
Базовый 50 х 50 тип A01-1
Оптимальное соотношение веса и прочности для решения большинства конструкционных задач.
|
2,3 |
20,88 |
8,35 |
30 |
|
|
Усиленный 50 х 50 тип MA1-1
Крепление закладными элементами через направляющие пазы столь надежно, как и через сквозную рассверловку. |
3,1 |
29,37 |
11,75 |
30 |
|
|
Односторонний закрытый 50 х 50 тип A01-8
Закрытая лицевая сторона уменьшает скопление грязи и пыли. |
2,2 |
20,38; 19,61 |
8,15; 7,55 |
31 |
|
|
Угловой 50 х 50 тип A01-7
Закрытые пазы могут могут быть использованы для крепления с помощью рассверливания и использования закладных элементов. |
2,2 |
16,90 |
6,76 |
31 |
|
|
Двусторонний закрытый 50 х 50 тип A02-4
Используется для придания целостности внешнему виду конструкции. |
2,0 |
19,59; 18,17 |
7,83; 7,27 |
32 |
|
|
Угловое сечение 50 х 450 тип A02-8
Обеспечивает ровность формы конструкции. |
1,7 |
13,10 |
4,50 |
32 |
|
|
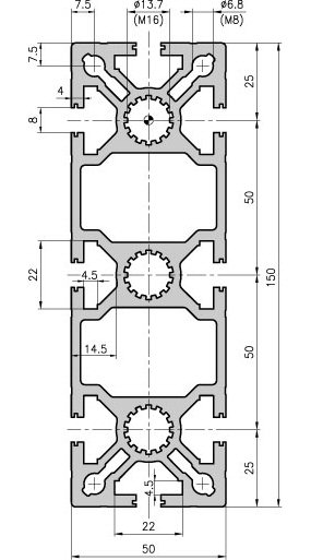
Базовый 50 х 100 тип A01-2
При нормальных условиях используется как несущая балка, оптимально подобранное поперечное сечение обеспечивает широкий спектр применения. |
4,6 |
149,84; 41,25 |
29,97; 16,50 |
33 |
|
|
Усиленный 50 х 100 тип MA1-2
Так же используется как несущая балка, большая нагрузочная способность и малый вес дают безграничные возможности. |
5,3 |
198,66; 50,28 |
39,73; 20,11 |
34 |
|
|
Односторонний закрытый 50 х 100 тип MA1-4
Большая закрытая полость предотвращает всяческое внутренне загрязнение и может служить в качестве воздухо-, топливо-, водо- или маслопровода. |
5,2 |
203,67; 54,31 |
40,73; 21,03 |
35 |
|
|
Базовый 100 х 100 тип MA2-5
Универсальный профиль для машиностроения с большой нагрузочной способностью, оптимальной жесткостью скручивания и малым весом. |
8,1 |
324,73 |
64,95 |
36 |
|
|
Усиленный 100 х 100 тип MA1-5
Особо прочный профиль, используемый для опор, крепежа. Прекрасно сочетается с профилем MA1-9 при построении портальных систем. |
9,5 |
380,00; 365,00 |
76,00; 73,00 |
37 |
|
|
Балка 50 х 150 тип MA1-3
Благодаря высокой нагрузочной способности, название говорит само за себя. |
7,1 |
608,31; 73,56 |
81,11; 29,42 |
38 |
|
|
Усиленный 100 х 200 тип MA1-9
Используется в портальных системах с большими расстояниями между опорами, либо там, где большие нагрузки сочетаются с высокой точностью. |
17,0 |
2442,53; 718,61 |
244,25; 143,72 |
39 |