|
|
Тип |
Вес [кг/м] |
Ix,y [см4] |
Wx,y [см3] |
Стр. каталога |
|
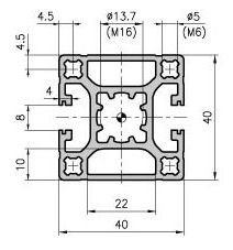
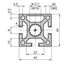
Супер облегченный 40 х 40 тип C03-1
Оптимальное сочетание нагрузочной способности и веса. |
1,3 |
8,2 |
4,10 |
40 |
|
|
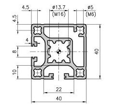
Облегченный 40 х 40 тип C02-1
Универсальный профиль, благодаря оптимальному соотношению стабильности и веса |
1,5 |
9,35 |
4,67 |
40 |
|
|
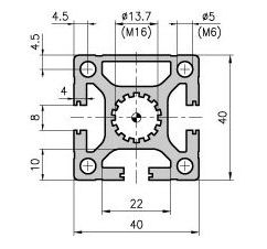
Базовый 40 х 40 тип C01-1
Универсальный необычно крепкий и твердый профиль по умеренной цене |
2,0 |
11,70 |
5,75 |
41 |
|
|
Односторонний 40 х 40 тип C01-8
Закрытая лицевая сторона уменьшает скопление грязи и пыли. |
2,0 |
11,66; 11,67 |
5,78; 5,83 |
41 |
|
|
Двусторонний угловой 40 х 40 тип C01-7
Уменьшают скопление грязи и пыли на гранях конструкции |
1,5 |
9,21 |
4,53 |
42 |
|
|
Двусторонний 40 х 40 тип C02-4
Используется для придания целостности внешнему виду конструкции. |
1,5 |
9,56; 9,21 |
4,78; 4,60 |
42 |
|
|
Угловое сечение 40 х 450 тип C02-8
Обеспечивает ровность формы конструкции. |
1,2 |
6,30 |
2,70 |
43 |
|
|
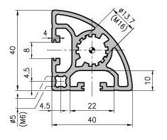
Закругленный 40 х 40 тип C03-8
Используется везде, где необходима плавность линий |
1,3 |
6,70 |
2,97 |
43 |
|
|
Облегченный 40 х 80 тип C02-3
Прекрасно комбинируется с профилями других оснований. |
2,8 |
64,90; 17,70 |
16,23; 8,85 |
44 |
|
|
Базовый 40 х 80 тип C01-3
Оптимальное сечение для реализации множества идей. |
3,7 |
81,95; 22,74 |
20,49; 11,37 |
45 |
|
|
Односторонний 40 х 80 тип C01-5
Закрытая лицевая сторона уменьшает скопление грязи и пыли, данный профиль может быть использован для отделки |
2,6 |
64,40; 17,20 |
16,10; 8,60 |
45 |
|
|
Балка 40 х 120 тип C01-9
Уменьшенный аналог балки MA1-3 |
5,3 |
258,52; 33,43 |
43,09; 16,72 |
46 |
|
|
Балка 40 х 160 тип C02-9
Универсальный профиль для конструкций с большими пролетами и нагрузками , так же может быть использован в качестве направляющей. |
7,0 |
592,79; 44,36 |
74,09; 22,18 |
47 |
|
|
Угловой 80 х 80 х 40 тип C01-6
Компактный профиль для высоких угловых нагрузок с прекрасным сочетанием цена/возможности. |
5,3 |
109,18 |
23,56 |
48 |
|
|
Базовый 80 х 80 тип C01-4
Предпочтителен для опор, особенности сечения позволяю обеспечить равномерное распределение нагрузки. |
6,0 |
157,70 |
38,68 |
49 |
|
|
Балка 80 х 120 тип MC1-2
Универсальный профиль с высоким статическим моментом для создания портальных систем и жестких оснований. |
8,4 |
451,20; 219,76 |
75,20; 54,94 |
50 |
|
|
Усиленный 80 х 160 MC1-9
Универсальный профиль с высоким статическим моментом для создания крупных портальных систем и жестких оснований. |
11,0 |
1018,98; 296,53 |
112,37; 74,13 |
51 |