|
Тип |
Вес [кг/м] |
Ix,y [см4] |
Wx,y [см3] |
Стр. каталога |
|
|
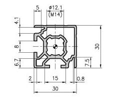
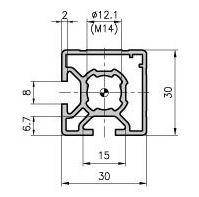
Супер облегченный 30 х 30 тип B03-1
Легкий, экономичный, но прочный универсальный профиль используется для построения вспомогательных конструкций (пыльники, защитные устройства, легкое лабораторное оборудование).
|
0,7 |
2,63 |
1,76 |
52 |
|
|
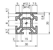
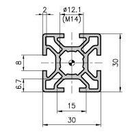
Облегченный 30 х 30 тип B02-1
Профиль для создания легких конструкций. |
0,9 |
2,95 |
1,97 |
52 |
|
|
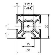
Усиленный 30 х 30 тип MB1-1
Позволяет строить компактные, но прочные конструкции. |
1,1 |
3,77 |
2,51 |
52 |
|
|
Односторонний 30 х 30 тип B03-2
Для конструирования защитных устройств и заслонок |
0,8 |
2,85; 2,83 |
1,90; 1,83 |
53 |
|
|
Односторонний с желобом 30 х 30 тип B02-2
Желоб позволяет вставлять в профиль листы стали или оргстекла для создания щитов. |
0,9 |
2,93; 2,76 |
1,93; 1,84 |
53 |
|
|
Двусторонний угловой 30 х 30 тип B02-3
Компактный профиль для создания гладких ребер. |
0,8 |
2,7 |
1,75 |
54 |
|
|
Двусторонний угловой с желобом 30 х 30 тип B01-3
Обеспечивает жесткий угловой стык листов из различных материалов. |
0,8 |
2,7 |
1,75 |
54 |
|
|
Двусторонний 30 х 30 тип B02-4
Используется для придания целостности внешнему виду конструкции. |
0,8 |
2,73; 2,74 |
1,82; 1,83 |
55 |
|
|
Закругленный 30 х 30 тип B01-8
Используется везде, где необходима плавность линий. |
0,8 |
2,57 |
2,02 |
55 |
|
|
Углом 300 тип B04-3
Для создания сложных геометрических конструкций высокой прочности. |
0,9 |
3,23; 2,89 |
1,54; 1,48 |
56 |
|
|
Углом 450 тип B04-4
Для создания сложных геометрических конструкций высокой прочности. |
0,9 |
3,14; 2,91 |
1,44; 1,45 |
56 |
|
|
Углом 600 тип B04-6
Для создания сложных геометрических конструкций высокой прочности. |
0,9 |
3,14; 2,91 |
1,44; 1,45 |
57 |
|
|
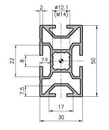
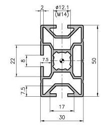
Базовый 30 х 50 тип B01-9
Прекрасно дополняет профили с другим основанием. |
1,2 |
10,94; 4,33 |
4,38; 2,90 |
58 |
|
|
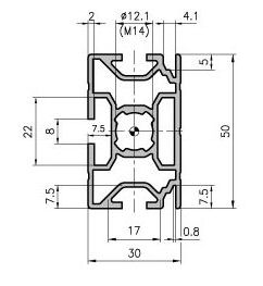
Односторонний 30 х 50 тип MB2-9
Для решения вопросов устойчивости и внешнего вида. |
1,3 |
11,30; 4,55 |
4,52; 3,03 |
58 |
|
|
Односторонний с желобом 30 х 50 тип MB1-9
Желоб позволяет вставлять в профиль листы стали или оргстекла для создания щитов. |
1,3 |
11,25; 4,84 |
4,50; 3,23 |
59 |
|
|
Базовый 30 х 60 тип B01-6
Универсальный профиль, может служить несущей балкой в легких конструкциях. |
1,5 |
20,52; 5,20 |
6,84; 3,47 |
59 |
|
|
Рамочный 30 х 95 тип B01-7
Используется для построения прочного товарного оборудования. |
1,8 |
55,99; 7,94 |
11,79; 5,29 |
60 |
|
|
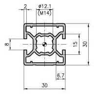
Базовый 60 х 60 тип B02-6
Используется в качестве опор с различными возможностями использования внутреннего пространства. |
2,4 |
35,83 |
11,94 |
61 |
|
|
Восмиугольный тип B15-3
Профиль идеален для больших и тяжелых конструкций, либо в качестве оси вращения. Так же может использоваться в качестве опорной колонны. |
2,8 |
51,01 |
14,09 |
61 |
|
|
Базовый 30 х 100 тип MB1-2
Возможны применения в качестве несущих балок различных конструкций или для ровного покрытия больших площадей. Хорошо сочетается с профилями 40 и 50 мм. |
2,3 |
80,77; 8,95 |
16,15; 5,97 |
62 |
|
|
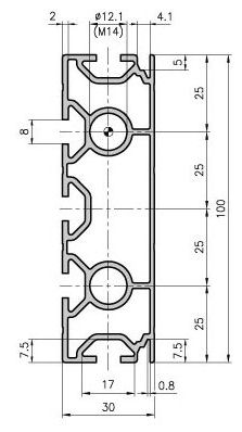
Односторонний с желобом 30 х 100 тип B01-2
Возможны применения в качестве несущих балок различных конструкций или для ровного покрытия больших площадей. Хорошо сочетается с профилями 40 и 50 мм. |
2,1 |
77,86; 8,79 |
15,57; 5,72 |
62 |
|
|
Односторонний с желобом 30 х 100 тип B03-3
Вертикальное положение позволяет использовать как несущую балку с большими нагрузочными характеристиками. Так же применяется, как прижимная, либо наборная плита. |
5,1 |
1755,64; 26,06 |
117,04; 17,30 |
63 |