|
|
Тип |
Вес [кг/м] |
Ix,y [см4] |
Wx,y [см3] |
Стр. каталога |
|
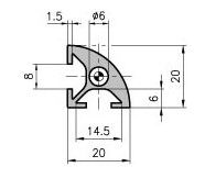
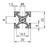
Базовый 20 х 20 тип D01-5
Позволяет решать множество конструкционных задач, благодаря прекрасному сочетанию веса и жесткости. |
0,38 |
0,60 |
0,60 |
64 |
|
|
Односторонний 20 х 20 тип D01-8
Использование вместе с различными сенсорами или в качестве стопора. |
0,39 |
0,68; 0,59 |
0,68; 0,59 |
64 |
|
|
Закругленный 20 х 20 тип D03-8
Для придания эстетики небольшим конструкциям |
0,35 |
0,47 |
0,47 |
65 |
|
|
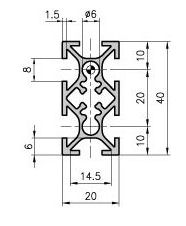
Базовый 20 х 40 тип D01-7
Более жесткое иполнение, часто используется в комбинации с 30 мм профилем. |
0,73 |
3,91; 1,10 |
1,95; 1,10 |
65 |
|
|
Рамочный 20 х 40 тип D01-6
Данный профиль был специально разработан для создания витрин и прочего торгового оборудования с использованием древесно-стружечных плит. |
0,70 |
2,60; 1,38 |
1,21; 1,38 |
65 |
|
|
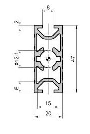
Рамочный 20 х 47 тип D01-2
Часто используется вместе с октагональным профилем при построении выставочных стендов. При использовании с крепежными уголками 30 х 30 мм дает жесткую раму для различных панелей и щитов. |
0,95 |
7,36; 1,84 |
3,13; 1,84 |
66 |
|
|
Восьмиугольный тип D01-1
Преимущественно используется в конструкциях выставочного или торгового оборудования в качестве опор. |
1,31 |
9,96 |
4,13 |
66 |
|
|
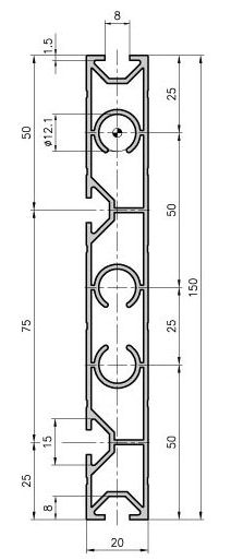
Рамочный 20 х 95 тип D01-4
Так же в основном используется в конструкциях торгового и выставочного оборудования. Может применяться в качестве облицовочных панелей. |
1,26 |
44,26; 9,32 |
9,32; 2,75 |
67 |
|
|
Односторонний 20 х 150 тип D19-5
Специальны профиль, прекрасно подходит для облицовки, создания щитов или полок. |
1,86 |
142,50; 4,41 |
18,85; 4,16 |
67 |